Veröffentlicht am 16. Juli 2018
Häufige Fragen und Antworten
Während den Besuchen im Felslabor Mont Terri tauchen bei den Besuchern häufig ähnliche Fragen auf. Untenstehend sind kurz und bündig die Antworten zu den 5 häufigsten Fragen zusammengestellt.

Opalinuston ist ein Tongestein, das vor 174 Millionen Jahren in einem Flachmeer der Jurazeit entstanden ist. Im Opalinuston sind fossile Schalen des Ammoniten «Leioceras opalinum» weit verbreitet. Der Name ist auf den schillernden (opalisierenden) Glanz der Schalen zurückzuführen.
Ein Felslabor bietet realistischere Versuchsbedingungen als dies bei herkömmlichen Laborstudien der Fall ist. Experimente können hier im Massstab 1:1 durchgeführt werden. Die Experimente im Felslabor liefern wesentliche Erkenntnisse über die Machbarkeit und Sicherheit von Tiefenlagern. Felslabors allein genügen aber nicht. Zur Beurteilung der Langzeitsicherheit eines Tiefenlagers (Sicherheitsanalyse) braucht es auch Beobachtungen an Naturanaloga, Modellierungen und Standortuntersuchungen.

Ein Versuchskonzept wird durch Prognoserechnungen auf seine Machbarkeit überprüft. Wenn klar ist, dass dieses Ziel mit herkömmlichen Laborversuchen nicht zu erreichen ist, wird ein Testort im Felslabor bestimmt. Vor der Durchführung des Experimentes werden die Anfangs- und Randbedingungen direkt am Testort ermittelt. Erst dann wird mit Tätigkeiten wie Bohren, Instrumentieren und Messen begonnen. Nach Monaten oder Jahren werden die Resultate ausgewertet, interpretiert, mit der Prognoserechnung verglichen und in Syntheseberichten dockumentiert.

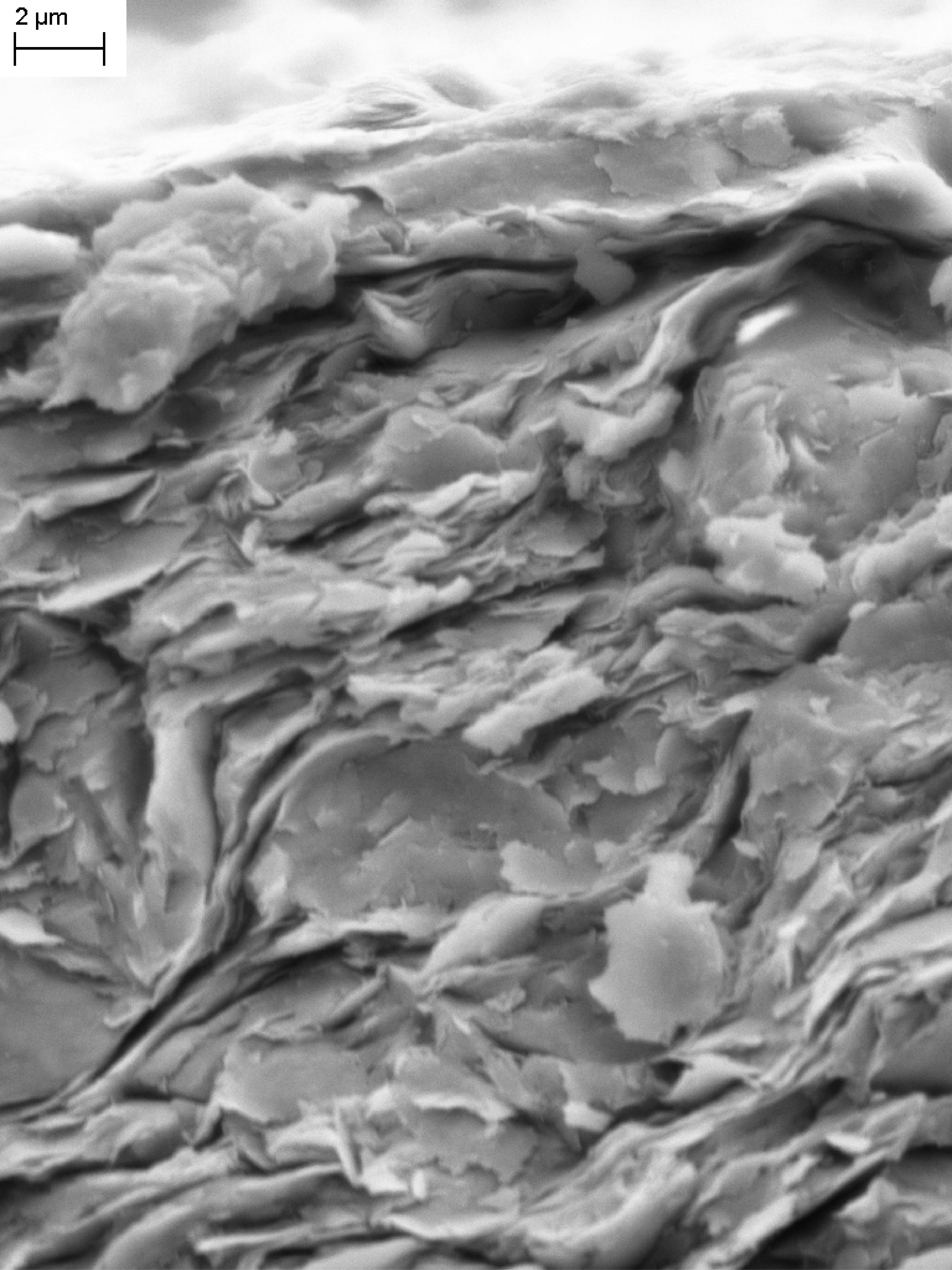
Ansicht mikroskopischer Tonpartikel in der Opalinuston-Matrix. Die resultierende hohe spezifische Oberfläche erklärt einige der wichtigsten Eigenschaften des Opalinustons.© Maartje Houben (RWTH Aachen) Der Opalinuston weist mehrere Eigenschaften auf, die sich auf die Sicherheit eines geologischen Tiefenlagers günstig auswirken. Dazu gehören neben dem guten Einschlussvermögen, der sehr geringen Wasserdurchlässigkeit und dem vorwiegend diffusiven Transport gelöster Stoffe auch eine homogene Struktur, die Rückhaltung von Radionukliden an den Tonmineraloberflächen sowie die Fähigkeit, Risse und Klüfte durch Quellung selbst zu verschliessen.
